Introduction
This website focuses on practical electronics, an applied science driven by electron flow from negative to positive, as in my electron flow model. My 1977 plasma discharge tube project showed electron-driven behavior, shaping my practical approach. Here, I explore how applied science differs from theoretical science, using electronics as a lens, alongside roles like technicians and engineers, building on my vacuum tubes and training program.
Applied vs. Theoretical Science

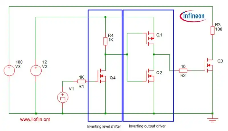
MOSFET gate drive circuits.
Click for larger image.
The focus of this website is practical electronics and real-world applications. Electronics is applied science, differing from theoretical science, which may appear speculative but often leads to practical breakthroughs.
For example, Charles Babbage (1791–1871), the father of the modern computer, invented the Difference Engine (1822) and Analytical Engine (1837). The Analytical Engine had:
An "arithmetic logic unit" (the "mill")
A "control unit" (equivalent to a CPU)
Memory (the "store")
Input/Output mechanisms
To quote:
Ada Lovelace: Babbage’s collaboration with Ada Lovelace, often credited as the world’s first computer programmer, was also significant. Lovelace wrote what are considered the first algorithms intended for implementation on Babbage’s Analytical Engine, particularly a method for calculating Bernoulli numbers.
Charles Babbage’s contributions laid the groundwork for computing machinery. His ideas, far ahead of his time, influenced Alan Turing’s theories and modern CPU architectures, though his machines were never completed during his lifetime.
My focus is what can be built, reused, repurposed, or repaired by anyone with reasonable skill sets, as seen in my vacuum tube projects. This hands-on approach can lead to new discoveries in the real physical world.
Theoretical Science:
Focuses on understanding fundamental principles and theories, exploring why and how phenomena occur using models, laws, or hypotheses.
Goal: Expand human knowledge, often without immediate practical applications.
Applied Science:
Uses these theories to create practical solutions, technologies, or solve real-world problems.
Goal: Develop innovations like smartphones, solar panels, or new materials (e.g., graphene).
Examples: Engineering, medicine, agriculture, and electronics, as in my selenium rectifiers.
Key Differences:
Purpose: Theoretical science seeks understanding; applied science seeks practical outcomes.
Methodology: Theoretical uses mathematical models; applied uses experiments and prototypes.
Impact: Theoretical discoveries may take centuries to apply; applied science seeks near-term benefits.
Interdependence: Applied relies on theoretical foundations, but applied breakthroughs can inspire theoretical inquiries (e.g., quantum computing).
Electronics as Applied Science

Block diagram of IR2101 MOSFET driver.
Electronics is an applied science because it:
Uses Physics and Chemistry: Relies on electromagnetism, semiconductor physics, quantum mechanics, and material science to manipulate electron behavior in circuits, as in my chemistry for electronics. Electrons are the only moving charges, aligning with my electron flow model.
Engineering Application: Designs and produces components, devices, and systems, from simple circuits to integrated circuits, computers, and IoT devices (a 2025 trend).
Interdisciplinary Nature:
Electrical Engineering: Circuit design and power management.
Materials Science: Semiconductor materials (e.g., silicon, graphene).
Computer Science: Digital electronics and microcontrollers.
Physics: Atomic-level behavior of materials.
Research and Development: Improves performance, efficiency, and miniaturization.
Problem Solving: Designs circuits for specific needs (e.g., speed, power).
Testing: Uses scientific methods to verify designs and ensure reliability.
Electronics transforms theoretical knowledge into practical solutions, impacting daily life, as seen in my GaAs photodiode discussion.
Electronics vs. Electrical Technicians
Electronics and electrical technicians differ in focus and scope:
Electronics Technician:
Focus: Works with low-voltage electronic components, circuits, and systems (e.g., smartphones, medical devices).
Responsibilities: Assembles, tests, troubleshoots, and repairs electronics; supports design via prototypes; documents work.
Skills: Reads schematics, uses oscilloscopes, and understands semiconductors; increasingly works with firmware (2025 trend).
Qualifications: Associate’s degree or technical diploma; certifications (e.g., ETA, IPC soldering).
Electrical Technician:
Focus: Handles high-voltage electrical systems (e.g., building wiring, industrial machinery, power distribution).
Responsibilities: Installs wiring, maintains systems, ensures safety compliance, tests installations.
Skills: Reads blueprints, uses voltmeters, follows National Electrical Code; works on renewable energy systems (e.g., solar, wind) in 2025.
Qualifications: Technical training or apprenticeships; certifications (e.g., NJATC).
Key Differences:
Scale/Voltage: Electronics (low-voltage, component-level); electrical (high-voltage, system-level).
Environment: Electronics (labs, repair shops); electrical (industrial, on-site).
Skill Set: Electronics (circuits, software); electrical (wiring, power systems).
Academic Ability in Electronics

MOSFET transistor inverting level-shifter driving a power MOSFET.
Click for larger image.
A level-shifter adjusts voltage levels to drive power MOSFETs, enabling high-side switching or mixed-voltage systems, a practical application of electronics theory.
Academic ability in electronics combines skills for success in both theoretical and practical contexts:
Cognitive Skills: Memory, logical reasoning, critical thinking to analyze circuits.
Learning Skills: Study habits, comprehension of complex theories, adaptability across electronics topics.
Language Skills: Reading technical documents, writing reports, presenting designs.
Research Skills: Finding and evaluating information, applying research methods.
Quantitative Skills: Math for circuit analysis (e.g., Kirchhoff’s laws).
Motivation/Persistence: Drive to learn and resilience in troubleshooting.
Collaboration: Teamwork on projects.
Practical Skills: Soldering, prototyping, and testing, bridging theory and practice.
This blend is crucial for electronics, as in my training program.
Electronics Technician vs. Engineer

650VDC chopper H-bridge circuit with IGBTs and pulse transformers.
Education:
Technician: Associate’s degree or technical diploma; apprenticeships common.
Engineer: Bachelor’s degree in electrical/electronics engineering; advanced degrees for research roles.
Roles:
Technician: Installs, maintains, repairs, and tests electronics; builds prototypes.
Engineer: Designs systems, conducts research, manages projects, innovates technologies; uses CAD and AI-driven design in 2025.
Skills:
Technician: Hands-on with tools, schematics, and test equipment.
Engineer: Advanced math, software design, and analytical skills for innovation.
Career Path:
Technician: Advances to senior roles or automation specialists.
Engineer: Moves to senior engineer, project manager, or academia.
Licensing: Engineers may need Professional Engineer (PE) licensure; technicians typically don’t.
Both roles are vital, with technicians applying practical skills and engineers driving theoretical advancements, as in my semiconductor discussions.
Education, Training, and Electron Flow Perspectives
This page is part of my fifth group, focusing on education and practical electronics:
Conclusion
Electronics, an applied science, transforms theoretical principles into practical solutions, driven by electron flow from negative to positive, as in my electron flow model. From Babbage’s theoretical computers to modern MOSFET circuits, applied science bridges theory and practice. Technicians and engineers play complementary roles, blending academic and hands-on skills. Explore my training program, circuit projects, or YouTube videos.
Share This Article
References
Paul Sharz, Practical Electronics for Inventors, McGraw-Hill Education.
Stephen L. Herman, Electric Circuits, Delmar Cengage Learning.
Personal correspondence with xAI, 2025.
Lewis Loflin’s teaching materials, Bristol Community College, 1980s–1990s.
Related Subjects
- Chemistry for Electronics:
- Why Chemistry is Useful for Learning Electronics
- Electrochemistry and Battery Charger Chemistry
- What is Electrochlorination and Electrolysis?
- Electroplating One Gram of Copper Working Example
- TL431 Battery Charger Voltage Detector Circuits Schematics
- TL431 Sink Mode Constant Current Circuits
- Physics and Chemistry for Electronics:
- Cesium Photo Detectors, Zinc Photocells, and Bandgap Explained
- Cesium Photoelectric Cells
- Is Zinc Photovoltaic?
- Bandgap versus Work Function Key Differences
- How Selenium Rectifiers and Photocells Operate
- Brief Overview of Vacuum Tubes and Circuits
- Basic Review Operation GaAs Photodiodes
- Electronics Education and Careers Defined Six Parts:
- Applied versus Theoretical Science Relation to Electronics
- How does applied science differ from theoretical science?
- Is electronics an applied science?
- What is the difference between electronics and electrical technicians?
- What does "academic ability" really mean in practical terms?
- How does an electronics technician differ from an engineer?
- Electronic Circuits and Applications:
- Electronics and Technology Built at Home Mainpage
- Arduino Constant Current H-Bridge Motor Control
- LM555 Timer Monostable AC Power Phase Control Demo